Watching the film, we see this
.png)
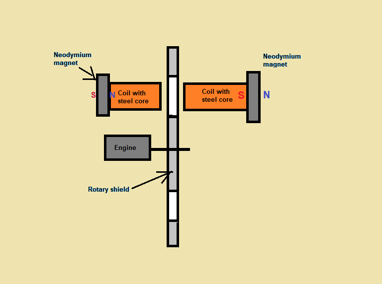
In this case, we have a coil with a magnet, a disc, a magnet, a disc, and again a coil with a magnet.
Exactly as shown in the figure below.

My biggest surprise was when it turned out that the most efficient option is when we have the following arrangement:
coil with magnet/disc/magnet/disc/coil with magnet.
This arrangement can be duplicated as desired.
I mentioned earlier that I tested two variants:
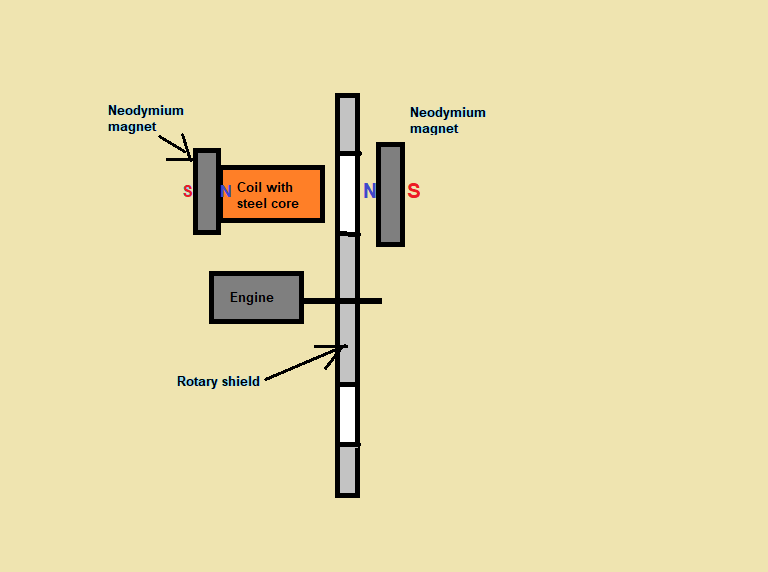
1. coil with magnet/disc/magnet
2. coil with magnet/disc/coil with magnet
It turned out that in the first variant I had better voltage and current than in the second one.
That is why the user from Russia went this way, as it is the most effective and efficient method.
In this situation, there is a momentary interaction between the magnet and the disc, but only at the start-up moment.
When everything is spinning, the motor feels a constant slight resistance that is not related to the current consumption from the coils, even during their short circuit.
I think this effect is justified because the rotating disc does not generate a magnetic field opposite to that of the coils and therefore there is no Lenz effect. There is only a small constant resistance associated with the attraction of the disc to the magnets, and it is constant and uniform to them.
The eddy currents in the disc are negligible because it is pure steel. Copper or aluminum discs are not suitable for this, and the best results can be achieved when using plexiglass discs covered with ferrite or neodymium powder.
If there is no Lenz effect, there is nothing to prevent you from squeezing as much as possible out of it.
The key aspect is how we will draw power from the coils.
The power generated on the coils is a pure sine wave, but only when there are fairly equal intervals on the rotating disc.
The load must use both halves of the sine wave, then there is no Lenz effect. On one half of the sine wave, the power consumption of the motor increases, and on the other, it decreases, so when we connect a purely resistive load or through a rectifier bridge, both effects cancel each other out and power is produced at no cost.
Don Smith said that the coils inside have magnets, which I don't think is entirely true (the magnet alone is not enough). I think it's just his special disinformation technique to keep everything under wraps.
I also tested this variant, and in this case, after my tests, the results were the worst, or rather, there were no results at all. The Bloch wall was unable to perform its function in this case, and it is necessary for the magnet to be attached to the side of the coil to its core.
After some thought and a few small experiments, I have come to the conclusion that the D.S. coils looked more or less like the ones in the drawing. But these are only my assumptions and they may be wrong, but I will definitely check this option.

The future belongs to those who can imagine it. N.Tesla