Hi everyone.
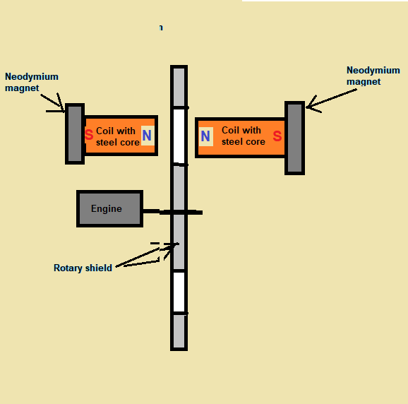
For some time now, I have been interested in Don Smith's replica No. 9. There is not much information about this device, but I decided to make a small replica of it.
Any information about this device would be greatly appreciated.
I have conducted some small tests and the results are really interesting because I managed to light a small bulb with two small coils, magnets and a steel disc with holes.
When powering the motor rotating the disc and connecting the load to the coils, the motor driving the steel disc did not feel any resistance while the bulb was lit, with no change in current consumption. That is why I found the effect very interesting and decided to do something more meaningful.
I am in the process of gathering materials and will share my observations with you from time to time.
In general, I have made a wooden structure to put it all together. I commissioned a company that laser cuts such things to make metal discs. The first discs will be made of ordinary steel. I designed the coil spools in FreeCad and they are being printed. Now I am waiting for a delivery of silicon sheet metal to make the coil cores.

Has anyone attempted to investigate this effect?
The future belongs to those who can imagine it. N.Tesla
.jpg)




